尊龙凯时(中国)人生就是搏!尊龙凯时

EN

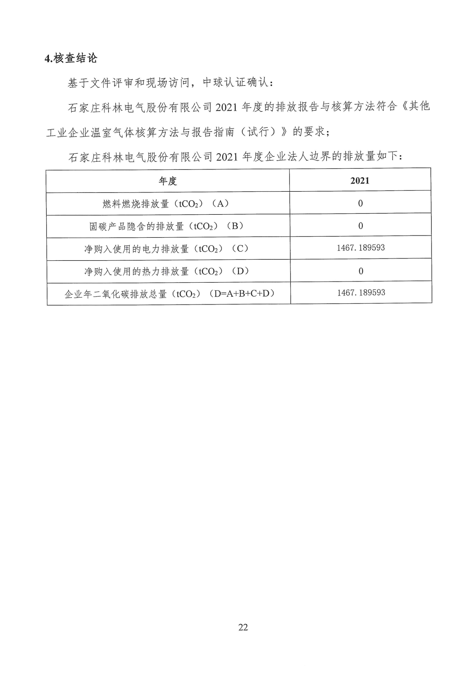
碳排放信息——尊龙凯时电气股份有限公司2021年温室气体排放核查报告

2024-04-14
尊龙凯时